关闭
风琴防护罩
机床风琴防护罩是一种多层折叠式防护装置,专门用于保护机床导轨、丝杠等运动部件。它采用柔性材料制成,外形类似风琴的折叠结构,能够随着机床的运动灵活伸缩。风琴防护罩能够有效防止灰尘、切屑、液体等进入机床内部,保护精密部件,延长设备使用寿命。由于其结构紧凑、重量轻且密封性能好,广泛应用于数控机床、加工中心和自动化设备中。
相关产品
咨询型号
电话
+86 15369455556
邮箱
info@cn-hckj.com
+86 15369455556
| 产品名称:风琴防护罩 | 产品材质:可定制 |
| 产品款式:一字型、7字型、U字型、方形、圆形等 | |
| 产品规格:多种规格可按需加工定制 | |
| 产品特点:运行稳定、不易变形、密封性好、抗酸碱、使用时间长 | |
| 适用范围:应用于数控机床、电子设备、石材机械、运输设备等 | |

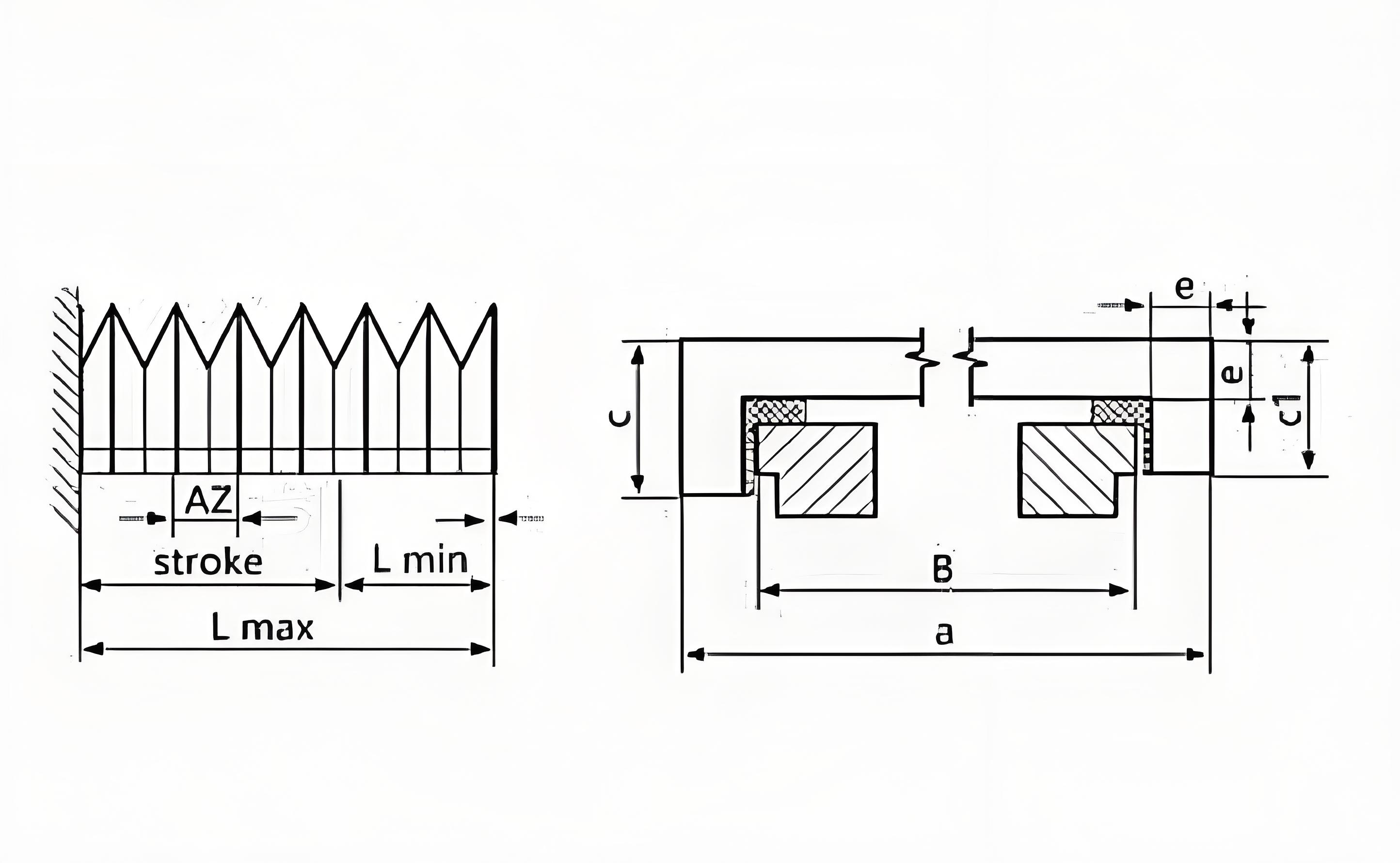
| 风琴护罩 | |
| 折高(e) | 单折拉伸(AZ) |
| 15 | 18 |
| 17 | 22 |
| 20 | 28 |
| 24 | 36 |
| 30 | 48 |
| 35 | 58 |
| 40 | 65 |
| 50 | 75 |
| 所有尺寸(毫米) | |
生产车间
生产工艺
Craftsmanship
设计阶段
需求分析:根据客户需求或设备要求,确定防护罩的尺寸、形状和性能标准。
CAD设计:使用CAD软件进行防护罩的详细设计,生成二维或三维图纸,确保其能够精确匹配机床的结构和运行轨迹。
材料选择
材料类型:根据不同环境要求选择材料,常见材料包括**钢板、不锈钢、铝合金**,或用于柔性防护罩的特殊织物材料(如耐热纤维、PVC等)。
厚度和硬度:根据机床的工作强度和环境,选择合适的厚度和硬度,确保防护罩既具有足够的保护强度,又不会影响机床的运行。
材料加工
切割:使用**激光切割**、**等离子切割**、**数控剪板机**等设备,将钢板或其他材料按照设计图纸进行精准切割。
折弯与成型:通过**数控折弯机**或其他机械进行折弯处理,确保材料成型为防护罩所需的形状,如平板、弧形、圆筒形等。
焊接与组装
焊接:对于钢板等硬质材料的防护罩,采用**氩弧焊**、**二氧化碳保护焊**等方式将各部分结构进行焊接。
铆接或螺栓连接:在一些情况下,使用螺栓或铆钉进行连接,尤其是在需要后期拆卸的防护罩结构中常用。
框架安装:有些防护罩需要安装内部框架,以提供额外的强度和支撑,在这一步中会将框架与防护罩外壳进行装配。
Craftsmanship
表面处理
抛光打磨:焊接或加工后的表面通常需要进行抛光和打磨处理,去除毛刺、焊渣,使防护罩表面平整光滑。
防腐处理:根据使用环境,进行**电镀**、**喷漆**或**粉末喷涂**,以增加防护罩的抗腐蚀性和耐磨性。对于在潮湿或腐蚀性较强的环境中使用的防护罩,表面处理尤为重要。
热处理:有些材料会进行**热处理**,以提高其强度和耐久性。
质量检验
尺寸检测:对防护罩的各项尺寸进行精准测量,确保其能够与机床设备完美契合。
强度和耐久性测试:对防护罩进行承载能力、耐冲击性和耐磨性的测试,确保其在长期使用中不会变形或损坏。
外观检查:确保表面处理均匀,无刮痕、起泡等瑕疵。
安装与调试
预装配:有时会在生产车间进行试装配,确保防护罩各个部分和机床的接口、导轨等部分匹配良好。
安装调试:将防护罩安装在机床上,进行实际运行调试,确保防护罩不会对机床的运动轨迹产生干涉,并能够有效保护机床的关键部件。
包装与发货
防护处理:成品防护罩通常会进行包装处理,防止在运输过程中出现磕碰损伤,必要时还会使用防锈油或防护膜进行保护。
发货与安装指导:将成品运送至客户现场,并提供详细的安装说明或提供技术支持,确保客户能够正确安装和使用防护罩。
C
O
N
T
A
C
T
您可以通过以下联系方式与我们联系,我们在收到您的询问后会及时安排人员沟通。